1、粉体输送设备
4.1正压输送系统
正压输送工艺流程

正压输送设备照片
正压输送系统概述:
1.进料阶段:
在进料阶段,吨袋小袋物料通过拆包站进入自带料斗,物料依靠自重通过进料阀进入仓泵,置换空气通过排气阀排出,直至仓泵内物料充满,仓泵料位计触发,进料蝶阀及排气阀关闭,出料阀打开。排气阀的作用是以防空气从进料口排出,影响下料速度,甚至形成架桥不下料,并通过过滤布袋收集灰尘,防止污染车间空气。
2.输送阶段:
在输送阶段,进入仓泵的空气将物料压入输送管道,输送用气则通过增压器沿着输送管道持续间断地给输送物料提供输送压力,防止压降(导致物料输送中堵管),此时为了不使物料黏结,可选用振动电机(此项目中未配),当仓泵内的物料低于低料位时,仓泵低料位触发,输送用气会延时停止,进入清管阶段,防止物料停留在输送管道中,在下次进料前,仓泵内的空气通过特殊的排气阀排出。
3. 特点:
① 气固比高,一般可达20-30,空气消耗量为稀相系统的三分之一或二分之一。
② 输送速度低,为 6~12m/s,减少了管道磨损、阀门磨损、物料颗粒破碎等问题。
③ 粉尘颗粒能被气体充分流化而形成“拟流体”,从而改善了粉尘的流动性,使其能够沿管道浓相顺利输送。
④ 增压助推器技术用于正压浓相流态化小仓泵系统,从而解决了堵管问题。
⑤ 可实现远距离输送,其单级输送距离达1500mm。
4.2负压输送系统
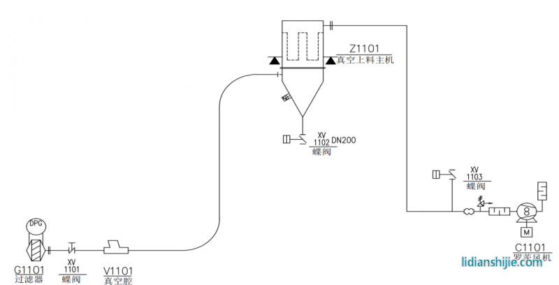
负压输送工艺流程

负压输送设备照片
负压输送系统概述:
1.自动控制:
负压真空上料系统一般为自动控制系统,启动自动运行后,首先开启排空阀,约2秒后罗茨风机驱动电机和脉冲控制仪启动,罗茨风机开启后5~8秒,关闭排空阀,真空吸送压力处于稳定状态,延迟若干秒(如5s)上游设备开始稳定供料,此时物料落入真空腔中,继而被吸入真空上料机主机中,与此同时除尘系统的脉冲清灰控制仪和真空腔内的激振器按预设的周期(如停6s开3s)运行。真空上料机的称重系统已设定了一个高料位值时(如250Kg),待真空上料机内的物料重量超过此重量值时,自动排料程序启动,按顺序自动关闭星形给料机,关闭真空腔破拱激振器,开启排空阀,停止罗茨风机驱动电机,并延时若干秒(如5s)后,自动开启排料阀和破拱激振器排出物料。当真空上料机内物料排空到称重装置设定值的下限值(或零区)时,说明真空仓内物料已排空,排料阀将延时关闭。本系统默认排料阀开启时间为5分钟。系统便可进入下一轮上料操作待机状态。
2.特点:
⑥ 采用高真空、低过滤风速方式进行输送,系统输送效率及可靠性高。
⑦ 真空上料机主体与物料接触处采用非金属材料,输送管道陶瓷内衬管道,既解决了阻绝金属单质对物料的污染又可具有很高的耐磨性,具有较高的使用寿命。
⑧ 真空上料机采用外置称重料位,并配套相应称重仪表,既避免接触式料位计对物料的影响,又可实时观察真空上料机内物料情况。粉料输送量采用称重的方法进行计量,并可以通过仪表重量设定所发送所需的物料量,具有较好的人机工作界面。
⑨ 分离设备配置了高效的除尘滤材和自动脉冲清灰装置能保证罗茨风机的运行安全和有效的防止粉尘对外界环境的污染。
⑩ 本系统作为一个独立的自控系统,配备有可编程控制器PLC以及人机界面HMI(触摸屏)实现自动控制。也可作为整条自动化生产线中的一个组成部分,由中央控制室PLC集中控制。现场人机界面HMI则可对本真空上料机进行状态显示,控制参数设定和修改以及报警指示。


